TGM1N塑壳断路器
TGM1N塑壳断路器
TGM1N塑壳断路器
TGM1N塑壳断路器
TGM1N塑壳断路器
TGM1N塑壳断路器
TGM1N塑壳断路器

TGM1N塑壳断路器

TGM1N 系列塑料外壳式断路器是采用国际先进技术平台开发的新型断路器,该产品适用于交流 50/60Hz,额定工作电压 690V 及以下的电路中做配电保护作用,也可做为线路的不频繁转换和电动机的不频繁启动之用,该产品具有外观精美、体积精巧、维护便捷、性能优越等优势,其优异的性能和超高的性价比可全面替代市面上 M1 系列产品。
本系列断路器具有过载、短路保护装置。本系列断路器可垂直安装(即竖装),亦可水平安装(即横装),具有隔离功能。
断路器符合下列标准:
IEC 60947-1 及 GB/ 14048.1 《低压开关设备 第1部分:总则》。
IEC 60947-2 及 GBT 14048.2 <低圧开关设备 第2部分:断路器>。
产品认证:CCC、CB、CE。

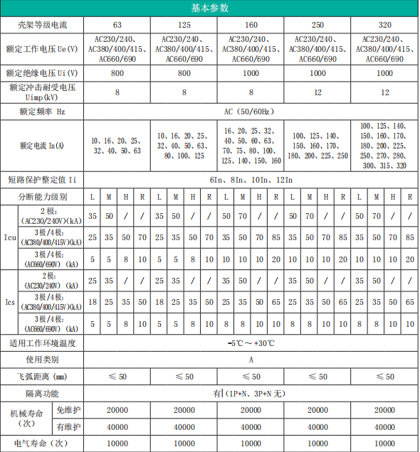
参数


Copyright ©2025 浙江鉴黄师在线观看免费版电气股份有限公司 备案号 浙ICP备05055822号-4

x

联系鉴黄师在线观看免费版

您可以向鉴黄师在线观看免费版发送有关鉴黄师在线观看免费版电气的问题咨询

I have read and accept the Privacy Policy


    鉴黄师在线观看免费版

    糟糕,页面不见了!

    返回首页

    4秒 之后 自动跳转到主页